پمپ سیرکوله گراندفوس UPS 40-180 تک فاز

  • پمپ سیرکولاتور خطی سایز 1 1/2 اینچ (فلنچ DN40)
  • الکتروموتور سه سرعته (490/570/770 وات)
  • حداکثر آبدهی 12 متر مکعب در ساعت
  • حداکثر هد 9.96 متر
  • فاصله ورودی و خروجی 250 میلی‌متر

قیمت استعلام شود

  • تضمین اصالت و سلامت فیزیکی
  • 7 روز ضمانت بازگشت کالا

اطلاعات کلی

نوع

پمپ سیرکولاتور سه دور

کلاس حفاظتی

X4D

کلاس عایق بندی

H

برند

گراندفوس Grundfos

مشخصات فیزیکی

وزن 25300.00 گرم
ابعاد 33 × 30 × 35 سانتیمتر
جنس-پروانه

پلاستیک

جنس بدنه

چدنی

نوع اتصال

فلنچ

سایز اتصال (اینچ)

2

مشخصات فنی

حداکثر فشار کاری (Bar)

10 بار

هد (m)

9.96 متر

دبی (m³/hr)

12

برق مصرفی

تک فاز

آمپر برق مصرفی

3.1/3.5/3.6 (دور تند/متوسط/کند)

قدرت موتور (W)

770 وات

نقد و بررسی تخصصی پمپ سیرکولاتور خطی گراندفوس Grundfos فلنچ سایز 2 اینچ مدل UPS 40-180 F


پمپ های سیرکولاتور (سیرکوله) خطی گراندفوس Grundfos سری UPS 200 جهت سیستم های گرمایشی و مدار بسته آبگرم (مانند موتور خانه، شوفاژ و مدار برگشت آبگرم) کاربرد داشته و دارای بدنه چدنی، شفت و یاتاقان های شعاعی سرامیکی ، یاتاقان های محوری کربن، پوسته موتور استیل و پروانه مقاوم در برابر خوردگی از جنس استنلس استیل 304 می باشد. پمپ سیرکولاتور گرانفوس سری UPS به‌صورت دائم کار بوده و قابلیت کارکرد طولانی بدون نیاز به روغن کاری و سرویس ماهیانه را دارد. این ویژگی کاربری مطمئن آنرا برای انواع ساختمان های مسکونی، اداری، تجاری و محیط های کارگاهی تضمین نموده است. پمپ های سیرکوله سری UPS 200 گراندفوس دارای بدنه یکپارچه بدون نیاز به واسطه پمپ بوده (اصطلاحا به آنها روتور تر میگویند) که این امر، هزینه های تعمیر و نگهداری آنرا نسبت به مدلهای مشابه به شدت کاهش داده است.

الکتروپمپ های سیرکولاتور گراندفوس در کشور های مختلف اروپایی تولید می شوند که محصولات موجود در ایران معمولا از تولیدات کارخانه صربستان گراندفوس می‌باشد.

پمپ سیرکوله گراندفوس Grundfos مدل UPS 40-180 F 250 دارای الکتروموتور تک فاز 770 وات و سه دور بوده و محدوده دمای سیال آن 10- الی 120+ درجه سانتیگراد می باشد. فشار کاری این پمپ 10 بار، حداکثر هد آن 9.96 متر و دبی آبدهی آن 12 متر مکعب در ساعت می باشد.

جهت کسب اطلاعات بیشتر، دریافت مشاوره خرید پمپ سیرکولاتور می‌توانید با کارشناسان ما در سیال تک از طریق شماره‌های زیر تماس بگیرید.


ویژگی های پمپ سیرکولاتور خطی گراندفوس Grundfos فلنچ سایز 2 اینچ مدل UPS 40-180 F 250

  • مناسب جهت آبگرم شوفاژ و برگشت آبگرم مصرفی 
  • بدنه چدنی همراه با پروانه استیل 304
  • بدنه یکپارچه بدون نیاز به واسط
  • کارکرد به‌صورت دائم کار
  • فاصله ورودی و خروجی 250 میلیمتری
  • دمای آب پیشنهادی 60+
  • کلاس حفاظتی X4D
  • کلاس عایق بندی H
  • دارای سه دور موتور جهت تنظیم
  • اتصال ورودی و خروجی فلنچی 2 اینچ (DN40)
  • حد اکثر هد 9.96 متر و آبدهی 12 متر مکعب در ساعت

منحنی هد و دبی پمپ سیرکولاتور خطی گراندفوس Grundfos مدل UPS 40-180 سه فاز

منحنی هد و دبی پمپ سیرکولاتور خطی گراندفوس Grundfos مدل UPS 40-180 سه فاز


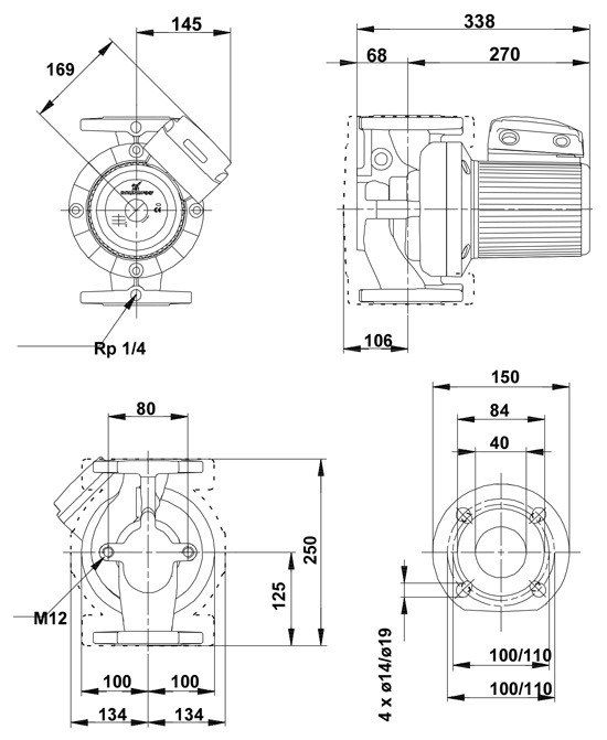
ابعاد و اندازه پمپ سیرکولاتور خطی گراندفوس Grundfos مدل UPS 40-180 سه فاز

ابعاد و اندازه پمپ سیرکولاتور خطی گراندفوس Grundfos مدل UPS 40-180 سه فاز

نظرات

0 نقد و بررسی
0
0
0
0
0

هیچ دیدگاهی برای این محصول نوشته نشده است.

اولین نفری باشید که دیدگاهی را ارسال می کنید برای “پمپ سیرکوله گراندفوس UPS 40-180 تک فاز”

نشانی ایمیل شما منتشر نخواهد شد. بخش‌های موردنیاز علامت‌گذاری شده‌اند *

1 2 3 4 5
1 2 3 4 5
1 2 3 4 5

شما باید وارد حساب خود شده باشید تا قادر به اضافه کردن تصاویر در نظرات باشید.