پمپ سیرکوله ویلو TOP-S 50/7
- پمپ سیرکولاتور خطی
- الکتروموتور سه سرعته (610 وات) سه فاز
- حداکثر آبدهی 28 متر مکعب در ساعت
- حداکثر هد 7.1 متر
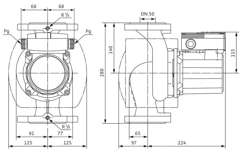
- اتصال 2 اینچ فلنچی
- فاصله ورودی و خروجی 280 میلیمتر
اطلاعات کلی
| نوع | |
|---|---|
| کلاس حفاظتی | |
| برند |
ویلو Wilo |
مشخصات فیزیکی
| وزن | 17000.00 گرم |
|---|---|
| ابعاد | 25 × 43 × 30 سانتیمتر |
| جنس-پروانه | |
| جنس بدنه | |
| نوع اتصال |
مشخصات فنی
| برچسب انرژی |
A+++ |
|---|---|
| هد (m) | |
| دبی (m³/hr) | |
| برق مصرفی |
سه فاز |
| آمپر برق مصرفی |
1.19 (دور تند) |
| قدرت موتور (W) |
نقد و بررسی تخصصی پمپ سیرکولاتور خطی ویلو Wilo آلمان مدل TOP-S 50/7
پمپ های سیرکولاتور (سیرکوله) خطی ویلو Wilo سری TOP-S جهت سیستم های گرمایشی آبگرم (مانند موتور خانه، شوفاژ و مدار برگشت آبگرم)، سیستمهای تهویه مطبوع و تجهیزات سیرکولاسیون صنعتی کاربرد داشته و دارای بدنه چدنی، پروانه پلیپروپیلن با 30 الی 40 درصد الیاف شیشه (بسته به مدل)، شافت استنلس استیل و یاتاقان کربن استیل میباشد.
پمپ سیرکولاتور ویلو بهصورت دائم کار بوده و در سری TOP-S قابلیت کارکرد با سیال از دمای 20- الی 130+ درجه سانتیگراد را دارند که این مهم، کاربری مطمئن آنرا برای انواع ساختمان های مسکونی، اداری، تجاری و محیط های کارگاهی تضمین نموده است. همچنین سری TOP-S ویلو دارای بدنه یکپارچه مجهز به عایق حرارتی همراه با مکانیزم بی واسطه بوده که این امر، هزینه های تعمیر و نگهداری آنرا نسبت به مدلهای مشابه به شدت کاهش داده و باعث کارکرد طولانی مدت آن بدون نیاز به روغن کاری و سرویس ماهیانه گردیده است. پوشش ضد خوردگی پوسته پمپ (پوشش کاتافورتیک) را از دیگر مزایای این سری میتوان برشمرد.
پمپ سیرکوله ویلو Wilo مدل TOP-S 50/7 دارای الکتروموتور سه فاز و سه دور بوده و محدوده دمای سیال این پمپ 20- الی 130+ درجه سانتیگراد میباشد. فشار کاری این پمپ 10 بار، حداکثر هد آن 7.1 متر و دبی آبدهی آن 28 متر مکعب در ساعت می باشد.
جهت کسب اطلاعات بیشتر، دریافت مشاوره خرید پمپ سیرکولاتور میتوانید با کارشناسان ما در سیال تک از طریق شمارههای زیر تماس بگیرید.
021-88829726 021-77534123 021-88826395 09351027656
گفتگو و مشاوره در واتساپ (کلیک کنید)
ویژگی های پمپ سیرکولاتور خطی ویلو Wilo آلمان 2 اینچ فلنچی مدل TOP-S 50/7
- مناسب کارکرد و موتورخانه جهت آبگرم شوفاژ و برگشت آبگرم مصرفی
- محدوده دمای سیال این پمپ 20- الی 130+ درجه سانتیگراد
- کلاس عایقبندی حرارتی موتور: H
- مجهز به عایق حرارتی بدنه پمپ
- پوشش ضد خوردگی پوسته پمپ (پوشش کاتافورتیک)
- بدنه چدنی خاکستری
- پروانه پلیپروپیلن با 30 الی 50 درصد الیاف شیشه
- شافت استنلس استیل
- یاتاقان کربن استیل
- بدنه یکپارچه بدون نیاز به واسط
- کارکرد بهصورت دائم کار
- دارای سه دور جهت تنظیم
- آکس ورودی و خروجی 280 میلیمتر
- اتصال ورودی و خروجی 2 اینچ فلنچی
- حداکثر هد 7.1 متر و حداکثر آبدهی 28 متر مکعب در ساعت
ابعاد و اندازه پمپ سیرکولاتور خطی ویلو Wilo آلمان 2 اینچ مدل Top-S 50/7

دیاگرام هد و دبی پمپ سیرکولاتور خطی ویلو Wilo آلمان مدل Top-S 50/7


دیدگاهها
پاکسازی فیلترهیچ دیدگاهی برای این محصول نوشته نشده است.