پمپ سیرکوله ویلو Star-RS 30/7

  • پمپ سیرکولاتور خطی
  • الکتروموتور سه سرعته (148 وات)
  • حداکثر آبدهی 5.4 متر مکعب در ساعت
  • حداکثر هد 6.9 متر
  • اتصال 1/4 1 اینچ دنده‌ای
  • فاصله ورودی و خروجی 180 میلی‌متر

قیمت استعلام شود

  • تضمین اصالت و سلامت فیزیکی
  • 7 روز ضمانت بازگشت کالا

اطلاعات کلی

نوع

پمپ سیرکولاتور سه دور

کلاس حفاظتی

IP44

برند

ویلو Wilo

مشخصات فیزیکی

وزن 3000.00 گرم
ابعاد 14 × 15 × 18 سانتیمتر
جنس-پروانه

پروانه پلی‌پروپیلن با 40 درصد الیاف شیشه

جنس بدنه

چدن خاکستری

نوع اتصال

رزوه

سایز اتصال (اینچ)

1/4 1

مشخصات فنی

برچسب انرژی

A+++

هد (m)

6.9 متر

دبی (m³/hr)

5.4

برق مصرفی

تک فاز

آمپر برق مصرفی

0.65 (دور تند)

قدرت موتور (W)

150 وات

نقد و بررسی تخصصی پمپ سیرکولاتور خطی ویلو Wilo آلمان مدل Star-RS 30/7


پمپ های سیرکولاتور (سیرکوله) خطی ویلو Wilo سری Star-RS جهت سیستم های گرمایشی آبگرم (مانند موتور خانه، شوفاژ و مدار برگشت آبگرم)، سیستم‌های تهویه مطبوع و تجهیزات سیرکولاسیون صنعتی کاربرد داشته و دارای بدنه چدنی، پروانه پلی‌پروپیلن با 40 درصد الیاف شیشه، شافت استنلس استیل و یاتاقان کربن استیل می‌باشد. الکتروپمپ های سیرکولاتور ویلو به‌صورت دائم کار بوده که کاربری مطمئن آنرا برای انواع ساختمان های مسکونی، اداری، تجاری و محیط های کارگاهی تضمین نموده است. همچنین سری Star-RS ویلو دارای بدنه یکپارچه بدون نیاز به واسطه پمپ بوده که این امر، هزینه های تعمیر و نگهداری آنرا نسبت به مدلهای مشابه به شدت کاهش داده و باعث کارکرد طولانی مدت آن بدون نیاز به روغن کاری و سرویس ماهیانه گردیده است.

پمپ سیرکوله ویلو Wilo مدل Star-RS 30/7 دارای الکتروموتور تک فاز و سه دور بوده و محدوده دمای سیال این پمپ 10- الی 110+ درجه سانتیگراد می‌باشد. فشار کاری این پمپ 10 بار، حداکثر هد آن 6.9 متر و دبی آبدهی آن 5.4 متر مکعب در ساعت می باشد.


ویژگی های پمپ سیرکولاتور خطی ویلو Wilo آلمان 1/4 1 اینچ مدل Star-RS 30/7

  • مناسب کارکرد و موتورخانه جهت آبگرم شوفاژ و برگشت آبگرم مصرفی
  • بدنه چدنی خاکستری
  • پروانه پلی‌پروپیلن با 40 درصد الیاف شیشه
  • شافت استنلس استیل
  • یاتاقان کربن استیل
  • بدنه یکپارچه بدون نیاز به واسط
  • کارکرد به‌صورت دائم کار
  • دارای سه دور جهت تنظیم
  • آکس ورودی و خروجی 180 میلی‌متر
  • اتصال ورودی و خروجی 1/4 1 اینچ
  • حداکثر هد 6.9 متر و حداکثر آبدهی 5.4 متر مکعب در ساعت

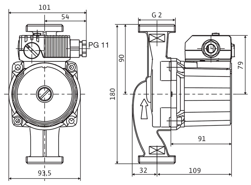
ابعاد و اندازه پمپ سیرکولاتور خطی ویلو Wilo آلمان 1 1/4 اینچ مدل Star-RS 30/7

ابعاد و اندازه پمپ سیرکولاتور خطی ویلو Wilo آلمان 1 اینچ مدل Star-RS 30/7


دیاگرام هد و دبی پمپ سیرکولاتور خطی ویلو Wilo آلمان مدل Star-RS 30/7

دیاگرام هد و دبی پمپ سیرکولاتور خطی ویلو Wilo مدل Star-RS 30/7

نظرات

0 نقد و بررسی
0
0
0
0
0

هیچ دیدگاهی برای این محصول نوشته نشده است.

اولین نفری باشید که دیدگاهی را ارسال می کنید برای “پمپ سیرکوله ویلو Star-RS 30/7”

نشانی ایمیل شما منتشر نخواهد شد. بخش‌های موردنیاز علامت‌گذاری شده‌اند *

1 2 3 4 5
1 2 3 4 5
1 2 3 4 5

شما باید وارد حساب خود شده باشید تا قادر به اضافه کردن تصاویر در نظرات باشید.