پمپ خطی اتاترم سمنان انرژی ETA65-20 تک فاز
- پمپ سیرکولاتور خطی سایز 2 1/2 اینچ فلنچی (DN65)
- حداکثر هد 15 متر
- حداکثر دبی 60 مترمکعب در ساعت
- فاصله ورودی و خروجی 475 میلیمتر
- الکتروموتور 2.2 کیلووات (3 اسب) تک دور
- برق مصرفی تک فاز
اطلاعات کلی
| نوع |
پمپ سیرکولاتور اتاترم |
|---|---|
| برند |
سمنان انرژی |
مشخصات فیزیکی
| وزن | 80000.00 گرم |
|---|---|
| ابعاد | 40 × 25 × 42 سانتیمتر |
| جنس-پروانه |
پلاستیک |
| جنس بدنه |
چدنی |
| نوع اتصال |
فلنچ |
| سایز اتصال (اینچ) |
1/2 2 |
مشخصات فنی
| هد (m) |
15 متر |
|---|---|
| دبی (m³/hr) |
60 |
| برق مصرفی |
تک فاز |
| قدرت موتور (W) |
2200 وات |
| قدرت موتور (اسب) |
3 اسب |
نقد و بررسی تخصصی پمپ سیرکولاتور اتارم سمنان انرژی مدل ETA 65-20 تک فاز
الکتروموتور های سیرکوله اتاترم سمنان انرژی ساخت کمپانی نوید موتور با همکاری صنایع پمپ سازی پمپیران میباشد. پمپ های سیرکولاتور (سیرکوله) سمنان انرژی یکی از برند های ایرانی شاخص در این زمینه بوده و همواره با کیفیت مناسب از جمله محصولات رند بازار محسوب میشود. الکتروپمپ های سیرکوله اتاترم سمنان انرژی بهصورت دائم کار و بدون نیاز به روغن کاری می باشد. ساختار پمپ های اتاترم موتور خشک و بدون واسطه بوده و نیازی به روغن کاری و سرویس دوره ای ندارد. همچنین وجود سیستم ترموگارد موجب میشود تا با افزایش دما مشکلی برای سیم پیچ موتور بهوجود نیاید. این پمپ ها در سیستم های گرمایشی و مدار بسته آبگرم (مانند موتور خانه، شوفاژ و مدار برگشت آبگرم)، سیستم های تاسیساتی و تهویه مطبوع، شستشوی صنعتی با استفاده از آب داغ و استخر کاربرد داشته و دارای بدنه چدنی (GG 20)، شفت از استنلس استیل و پروانه چدنی (مقاوم در برابر خوردگی و رسوبات) می باشند.
پمپ سیرکولاتور اتاترم سمنان انرژی (نوید موتور) مدل ETA 65-20 دارای الکتروموتور های استاندارد 1500 دور از نوع تک فاز با قدرت 3 اسب میباشد. حداکثر دمای سیال در این پمپ +80 درجه سانتیگراد بوده و دارای حداکثر فشار کاری 10 بار همراه با حداکثر هد 15 متر و حداکثر دبی آبدهی 60 متر مکعب در ساعت میباشد.
ویژگی های پمپ سیرکولاتور خطی اتاترم سمنان انرژی مدل ETA 65-20 تک فاز
- مناسب جهت آبگرم شوفاژ
- بدنه و محفظه چدنی
- پروانه چدنی GG25
- آب بندی سیل مکانیکی
- مقاوم در برابر هرگونه پاشش آب IP54
- دارای محور استیل
- ساختار یکپارچه الکتروپمپ (بدون واسطه)
- کارکرد بهصورت دائم کار (بدون نیاز به روغن کاری)
- فاصله ورودی و خروجی 475 میلیمتر
- اتصال ورودی و خروجی 2 1/2 اینچ فلنچی DN65
- حد اکثر هد 15 متر و آبدهی 60 متر مکعب در ساعت
نمودار هد و دبی پمپ سیرکولاتور اتاترم سمنان انرژی

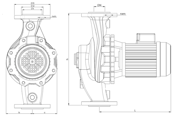
ابعاد و اندازه پمپ سیرکولاتور اتاترم سمنان انرژی

| مدل | D | K | d | DN | nxm | b | c | h | L |
|---|---|---|---|---|---|---|---|---|---|
| 50-16 | 160 | 124 | 98 | 50 | 4×18 | 130 | 130 | 425 | 440 |
| 50-20 | 160 | 124 | 98 | 50 | 4×18 | 130 | 130 | 420 | 475 |
| 65-16 | 160 | 145 | 115 | 62 | 4×18 | 135 | 135 | 475 | 480 |
| 65-20 | 160 | 145 | 112 | 65 | 4×18 | 140 | 140 | 475 | 525 |

دیدگاهها
پاکسازی فیلترهیچ دیدگاهی برای این محصول نوشته نشده است.