بوشن یک سر دنده UPVC پیمتاش 40×1 1/4
- بوشن upvc
- اتصال یک سمت رزوه از داخل
- فشار قابل تحمل 16 بار (PN16)
- سایز اتصال 1 1/4 اینچ (40 میلیمتر)
اطلاعات کلی
| نوع |
بوشن |
|---|---|
| تضمین اصالت و سلامت فیزیکی |
دارد |
| 7 روز ضمانت بازگشت کالا |
دارد |
| برند |
پیمتاش Pimtas |
مشخصات فیزیکی
| وزن | 60.00 گرم |
|---|---|
| ابعاد | 6 × 6 × 6 سانتیمتر |
| جنس بدنه |
UPVC |
| سایز اتصال (میلیمتر) |
40 |
| سایز اتصال (DN) |
32 |
مشخصات فنی
| حداکثر فشار کاری (Bar) |
PN16 |
|---|
نقد و بررسی تخصصی بوشن یک سر دنده UPVC پیمتاش Pimtas
بوشن لوله پیمتاش در انواع دو سر چسبی، یک سر مغزی و یک سردنده موجود میباشد. بوشن ها دارای تنوع سایزی از 1/2 اینچ الی 3 اینچ بوده و در لوله کشی استخر، جکوزی و انتقال آب آشامیدنی بهداشتی کاربرد دارد. فشار کاری قابل تحمل در این تبدیل ها معادل PN16 بوده که مقاومت بسیار بالایی محسوب میشود.
از ویژگی های لوله و اتصالات پیمتاش، مقاومت بالا در برابر عوامل فیزیکی و شیمیایی، آب بندی آسان و مطمئن، طول عمر بالا و شرایط نگهداری آسان را نام برد. این قطعات UPVC با آب حاوی کلر و نمک سازگار بوده و میتوانند در PH اسیدی و بازی سبک سیال نیز بدون مشکل به کار خود ادامه دهند.
بوشن پیمتاش Pimtas در لوله کشی تجهیزات استخر و جکوزی، برای اتصال دو لوله و یا یک لوله و یک اتصال در یک خط و با قطرهای یکسان استفاده میگردد. به گونه ای که با قراردادن بوشن چسبی UPVC داخل اتصالاتی مانند بوشن ، سه راهی و زانو ، لوله های هم سایز را به یکدیگر متصل می کنند. لوله و اتصالات UPVC قابلیت کارکرد تا دمای 60+ درجه سانتیگراد را دارند.
ویژگی های بوشن یک سر دنده UPVC پیمتاش Pimtas
- مناسب برای استخر، جکوزی و آب آشامیدنی
- قابلیت تحمل فشار تا 16 بار (PN16)
- قابلیت کارکرد تا دمای 60+ درجه سانتیگراد
- دارای اتصال یک سر چسبی و یک سر رزوه از داخل
- مقاوم در برابر تنش های فیزیکی و شیمیایی
- قابل کارکرد با کلر، نمک و PH اسیدی و بازی سبک
- ساخت ترکیه
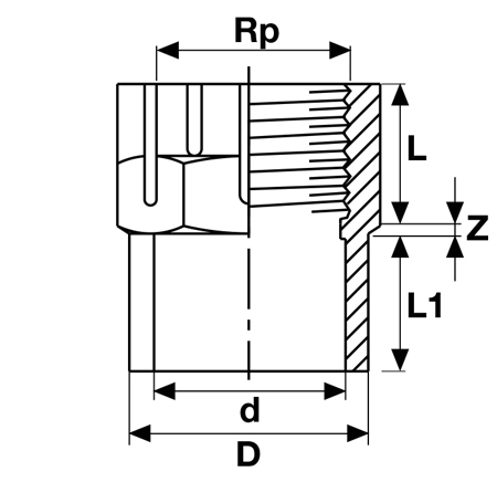
جدول ابعاد و اندازه بوشن یک سر دنده UPVC پیمتاش Pimtas

| d (mm) | Rp (inch) | D (mm) | L (mm) | L1 (mm) | Z (mm) |
|---|---|---|---|---|---|
| 20 | 1/2″ | 25 | 12 | 16 | 5.5 |
| 25 | 3/4″ | 32 | 16 | 22 | 1.5 |
| 32 | 1″ | 40 | 19 | 27 | 1.5 |
| 40 | 1 1/4″ | 50 | 22 | 27 | 5 |
| 50 | 1 1/2″ | 63 | 19 | 38 | 9.5 |
| 63 | 2″ | 75 | 24 | 39 | 6 |
نظرات
محصولات مشابه

دیدگاهها
پاکسازی فیلترهیچ دیدگاهی برای این محصول نوشته نشده است.