پمپ سیرکوله گراندفوس UPS 40-120 سه فاز
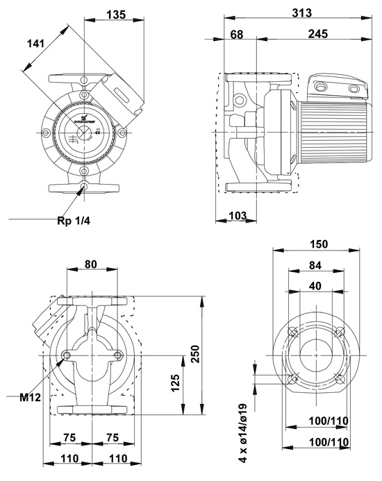
- پمپ سیرکولاتور خطی سایز 1 1/2 اینچ (فلنچ DN40)
- الکتروموتور سه سرعته (245/280/400 وات)
- حداکثر آبدهی 11.2 متر مکعب در ساعت
- حداکثر هد 6.81 متر
- فاصله ورودی و خروجی 250 میلیمتر
اطلاعات کلی
| نوع | |
|---|---|
| کلاس حفاظتی | |
| کلاس عایق بندی | |
| برند |
گراندفوس Grundfos |
مشخصات فنی
| حداکثر فشار کاری (Bar) |
10 بار |
|---|---|
| هد (m) | |
| دبی (m³/hr) | |
| برق مصرفی |
سه فاز |
| آمپر برق مصرفی |
0.49/0.56/0.92 (دور تند/متوسط/کند) |
| قدرت موتور (W) |
نقد و بررسی تخصصی پمپ سیرکولاتور خطی گراندفوس Grundfos فلنچ سایز 2 اینچ مدل UPS 40-120 F
پمپ های سیرکولاتور (سیرکوله) خطی گراندفوس Grundfos سری UPS 200 جهت سیستم های گرمایشی و مدار بسته آبگرم (مانند موتور خانه، شوفاژ و مدار برگشت آبگرم) کاربرد داشته و دارای بدنه چدنی، شفت و یاتاقان های شعاعی سرامیکی ، یاتاقان های محوری کربن، پوسته موتور استیل و پروانه مقاوم در برابر خوردگی از جنس استنلس استیل 304 می باشد.
پمپ سیرکولاتور گرانفوس سری UPS بهصورت دائم کار بوده و قابلیت کارکرد طولانی بدون نیاز به روغن کاری و سرویس ماهیانه را دارد. این ویژگی کاربری مطمئن آنرا برای انواع ساختمان های مسکونی، اداری، تجاری و محیط های کارگاهی تضمین نموده است. پمپ های سیرکوله سری UPS 200 گراندفوس دارای بدنه یکپارچه بدون نیاز به واسطه پمپ بوده (اصطلاحا به آنها روتور تر میگویند) که این امر، هزینه های تعمیر و نگهداری آنرا نسبت به مدلهای مشابه به شدت کاهش داده است.
الکتروپمپ های سیرکولاتور گراندفوس در کشور های مختلف اروپایی تولید می شوند که محصولات موجود در ایران معمولا از تولیدات کارخانه صربستان گراندفوس میباشد.
پمپ سیرکوله گراندفوس Grundfos مدل UPS 40-120 F 250 دارای الکتروموتور سه فاز 460 وات و سه دور بوده و محدوده دمای سیال آن 10- الی 120+ درجه سانتیگراد می باشد. فشار کاری این پمپ 10 بار، حداکثر هد آن 6.81 متر و دبی آبدهی آن 11.2 متر مکعب در ساعت می باشد.
جهت کسب اطلاعات بیشتر، دریافت مشاوره خرید پمپ سیرکولاتور میتوانید با کارشناسان ما در سیال تک از طریق شمارههای زیر تماس بگیرید.
ویژگی های پمپ سیرکولاتور خطی گراندفوس Grundfos فلنچ سایز 2 اینچ مدل UPS 40-120 F 250
- مناسب جهت آبگرم شوفاژ و برگشت آبگرم مصرفی
- بدنه چدنی همراه با پروانه استیل 304
- بدنه یکپارچه بدون نیاز به واسط
- کارکرد بهصورت دائم کار
- فاصله ورودی و خروجی 250 میلیمتری
- دمای آب پیشنهادی 60+
- کلاس حفاظتی X4D
- کلاس عایق بندی H
- دارای سه دور موتور جهت تنظیم
- اتصال ورودی و خروجی فلنچی 2 اینچ (DN40)
- هد 6.81 متر و آبدهی 11.2 متر مکعب در ساعت
منحنی هد و دبی پمپ سیرکولاتور خطی گراندفوس Grundfos مدل UPS 40-120 F

ابعاد و اندازه پمپ سیرکولاتور خطی گراندفوس Grundfos مدل UPS 40-120 F


دیدگاهها
پاکسازی فیلترهیچ دیدگاهی برای این محصول نوشته نشده است.