پمپ سیرکوله گراندفوس UPS 25-125 180

  • پمپ سیرکولاتور خطی
  • الکتروموتور سه سرعته (140/215/275 وات)
  • حداکثر آبدهی 1.93 متر مکعب در ساعت
  • حداکثر هد 9.58 متر
  • اتصال 1 اینچ دنده‌ای
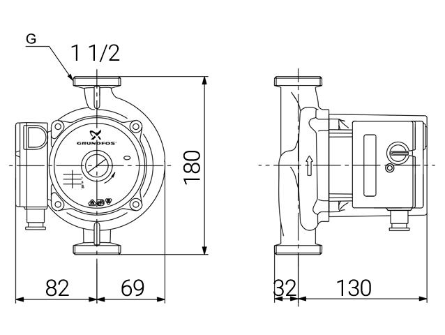
  • فاصله ورودی و خروجی 180 میلی‌متر

قیمت استعلام شود

  • تضمین اصالت و سلامت فیزیکی
  • 7 روز ضمانت بازگشت کالا

اطلاعات کلی

نوع

کلاس حفاظتی

کلاس عایق بندی

برند

گراندفوس Grundfos

مشخصات فیزیکی

وزن 4400.00 گرم
ابعاد 16 × 17 × 20 سانتیمتر
جنس-پروانه

جنس بدنه

نوع اتصال

سایز اتصال (اینچ)

1

مشخصات فنی

حداکثر فشار کاری (Bar)

10 بار

هد (m)

دبی (m³/hr)

برق مصرفی

تک فاز

آمپر برق مصرفی

0.61/0.93/1.18 (دور تند/متوسط/کند)

قدرت موتور (W)

نقد و بررسی تخصصی پمپ سیرکولاتور خطی گراندفوس Grundfos سایز 1 اینچ مدل UPS 25-125 180


پمپ سیرکولاتور (سیرکوله) خطی گراندفوس Grundfos سری UPS 100 جهت سیستم های گرمایشی و مدار بسته آبگرم (مانند موتور خانه، شوفاژ و مدار برگشت آبگرم) کاربرد داشته و دارای بدنه چدنی، شفت و یاتاقان های شعاعی سرامیکی ، یاتاقان های محوری کربن، پوسته موتور استیل و پروانه مقاوم در برابر خوردگی از جنس کامپوزیت PP می باشد.

پمپ سیرکولاتور گرانفوس سری UPS به‌صورت دائم کار بوده و قابلیت کارکرد طولانی بدون نیاز به روغن کاری و سرویس ماهیانه را دارد. این ویژگی کاربری مطمئن آنرا برای انواع ساختمان های مسکونی، اداری، تجاری و محیط های کارگاهی تضمین نموده است. پمپ های سیرکوله سری UPS 100 گراندفوس دارای بدنه یکپارچه بدون نیاز به واسطه پمپ بوده که این امر، هزینه های تعمیر و نگهداری آنرا نسبت به مدلهای مشابه به شدت کاهش داده است.

الکتروپمپ های سیرکولاتور گراندفوس در کشور های مختلف اروپایی تولید می شوند که محصولات موجود در ایران معمولا از تولیدات کارخانه صربستان گراندفوس می‌باشد.

پمپ سیرکوله گراندفوس Grundfos مدل UPS 25-125 180 دارای الکتروموتور تک فاز 275 وات و سه دور بوده و محدوده دمای سیال آن 2+ الی 60+ درجه سانتیگراد می باشد. فشار کاری این پمپ 10 بار، حداکثر هد آن 9.581 متر و دبی آبدهی آن 1.93 متر مکعب در ساعت می باشد.


ویژگی های پمپ سیرکولاتور خطی گراندفوس Grundfos سایز 1 اینچ مدل UPS 25-125 180

  • مناسب جهت آبگرم شوفاژ و برگشت آبگرم مصرفی 
  • بدنه چدنی همراه با پروانه کامپوزیت PP
  • بدنه یکپارچه بدون نیاز به واسط
  • کارکرد دائم کار
  • فاصله ورودی و خروجی 180 میلیمتری
  • دمای آب پیشنهادی 60+
  • کلاس حفاظتی X2D
  • کلاس عایق بندی F
  • دارای سه دور موتور جهت تنظیم
  • اتصال ورودی و خروجی 1 اینچ
  • حد اکثر هد 9.58 متر و آبدهی 1.93 متر مکعب در ساعت

دیاگرام ابعاد و اندازه پمپ سیرکولاتور خطی گراندفوس Grundfos مدل UPS 25-125 180

دیاگرام ابعاد و اندازه پمپ سیرکولاتور خطی گراندفوس Grundfos مدل UPS 25-125 180


منحنی هد و دبی پمپ سیرکولاتور خطی گرانفوس Grundfos سری UPS100

منحنی هد و دبی پمپ سیرکولاتور خطی گرانفوس Grundfos سری UPS100

نظرات

0 نقد و بررسی
0
0
0
0
0

هیچ دیدگاهی برای این محصول نوشته نشده است.

اولین نفری باشید که دیدگاهی را ارسال می کنید برای “پمپ سیرکوله گراندفوس UPS 25-125 180”

نشانی ایمیل شما منتشر نخواهد شد. بخش‌های موردنیاز علامت‌گذاری شده‌اند *

1 2 3 4 5
1 2 3 4 5
1 2 3 4 5

شما باید وارد حساب خود شده باشید تا قادر به اضافه کردن تصاویر در نظرات باشید.