پمپ سیرکوله ویلو TOP-S 40/15
- پمپ سیرکولاتور خطی
- الکتروموتور سه سرعته (905 وات) سه فاز
- حداکثر آبدهی 21 متر مکعب در ساعت
- حداکثر هد 15.2 متر
- اتصال 1 1/2 اینچ فلنچی
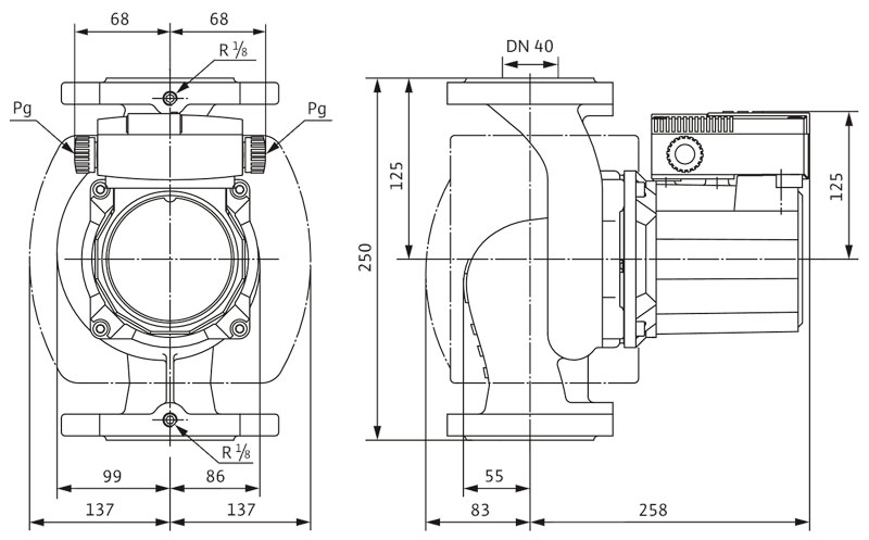
- فاصله ورودی و خروجی 250 میلیمتر
اطلاعات کلی
| نوع |
پمپ سیرکولاتور سه دور |
|---|---|
| کلاس حفاظتی |
IPX4D |
| برند |
ویلو Wilo |
مشخصات فیزیکی
| وزن | 21000.00 گرم |
|---|---|
| ابعاد | 32 × 47 × 38 سانتیمتر |
| جنس-پروانه |
پروانه پلیپروپیلن با 50 درصد الیاف شیشه |
| جنس بدنه |
چدن خاکستری مجهز به عایق حرارتی |
| نوع اتصال |
فلنچ |
| سایز اتصال (اینچ) |
1/2 1 |
مشخصات فنی
| برچسب انرژی |
A+++ |
|---|---|
| هد (m) |
15.2 متر |
| دبی (m³/hr) |
21 |
| برق مصرفی |
سه فاز |
| آمپر برق مصرفی |
1.84 (دور تند) |
| قدرت موتور (W) |
905 وات |
نقد و بررسی تخصصی پمپ سیرکولاتور خطی ویلو Wilo آلمان مدل TOP-S 40/15
پمپ های سیرکولاتور (سیرکوله) خطی ویلو Wilo سری TOP-S جهت سیستم های گرمایشی آبگرم (مانند موتور خانه، شوفاژ و مدار برگشت آبگرم)، سیستمهای تهویه مطبوع و تجهیزات سیرکولاسیون صنعتی کاربرد داشته و دارای بدنه چدنی، پروانه پلیپروپیلن با 30 الی 40 درصد الیاف شیشه (بسته به مدل)، شافت استنلس استیل و یاتاقان کربن استیل میباشد.
الکترو پمپ سیرکولاتور ویلو بهصورت دائم کار بوده و در سری TOP-S قابلیت کارکرد با سیال از دمای 20- الی 130+ درجه سانتیگراد را دارند که این مهم، کاربری مطمئن آنرا برای انواع ساختمان های مسکونی، اداری، تجاری و محیط های کارگاهی تضمین نموده است. همچنین سری TOP-S ویلو دارای بدنه یکپارچه مجهز به عایق حرارتی همراه با مکانیزم بی واسطه بوده که این امر، هزینه های تعمیر و نگهداری آنرا نسبت به مدلهای مشابه به شدت کاهش داده و باعث کارکرد طولانی مدت آن بدون نیاز به روغن کاری و سرویس ماهیانه گردیده است. پوشش ضد خوردگی پوسته پمپ (پوشش کاتافورتیک) را از دیگر مزایای این سری میتوان برشمرد.
پمپ سیرکوله ویلو Wilo مدل TOP-S 40/15 دارای الکتروموتور سه فاز و سه دور بوده و محدوده دمای سیال این پمپ 20- الی 130+ درجه سانتیگراد میباشد. فشار کاری این پمپ 10 بار، حداکثر هد آن 15.2 متر و دبی آبدهی آن 21 متر مکعب در ساعت می باشد.
ویژگی های پمپ سیرکولاتور خطی ویلو Wilo آلمان 1/2 1 اینچ فلنچی مدل TOP-S 40/15
- مناسب کارکرد و موتورخانه جهت آبگرم شوفاژ و برگشت آبگرم مصرفی
- محدوده دمای سیال این پمپ 20- الی 130+ درجه سانتیگراد
- کلاس عایقبندی حرارتی موتور: H
- مجهز به عایق حرارتی بدنه پمپ
- پوشش ضد خوردگی پوسته پمپ (پوشش کاتافورتیک)
- بدنه چدنی خاکستری
- پروانه پلیپروپیلن با 50 درصد الیاف شیشه
- شافت استنلس استیل
- یاتاقان کربن استیل
- بدنه یکپارچه بدون نیاز به واسط
- کارکرد بهصورت دائم کار
- دارای سه دور جهت تنظیم
- آکس ورودی و خروجی 250 میلیمتر
- اتصال ورودی و خروجی 1/2 1 اینچ فلنچی
- حداکثر هد 15.2 متر و حداکثر آبدهی 21 متر مکعب در ساعت
ابعاد و اندازه پمپ سیرکولاتور خطی ویلو Wilo آلمان 1 1/2 اینچ مدل Top-S 40/15

دیاگرام هد و دبی پمپ سیرکولاتور خطی ویلو Wilo آلمان مدل Top-S 40/15


دیدگاهها
پاکسازی فیلترهیچ دیدگاهی برای این محصول نوشته نشده است.