شیر توپی مهره دار چسبی UPVC پیمتاش 3/4 اینچ
- شیر توپی مهره دار upvc
- اتصال هر دو سمت چسبی
- فشار قابل تحمل 16 بار (PN16)
- سایز اتصال 3/4 اینچ (25 میلیمتر)
اطلاعات کلی
| نوع |
شیر توپی |
|---|---|
| برند |
پیمتاش Pimtas |
مشخصات فیزیکی
| وزن | 450.00 گرم |
|---|---|
| ابعاد | 8 × 6 × 10 سانتیمتر |
| جنس بدنه |
UPVC |
| سایز اتصال (میلیمتر) |
25 |
| سایز اتصال (DN) |
20 |
مشخصات فنی
| حداکثر فشار کاری (Bar) |
PN16 |
|---|
نقد و بررسی تخصصی شیر توپی مهره دار چسبی UPVC پیمتاش Pimtas
شیر توپی (Ball Valve) مهره دار پیمتاش در نوع چسبی، یک سر دنده و دو سر دنده در بازار ایران وارد شده است. این شیر ها تنوع سایزی از 1/2 اینچ الی 4 اینچ داشته و در لوله کشی استخر، جکوزی و انتقال آب آشامیدنی بهداشتی کاربرد دارد. فشار کاری قابل تحمل در این شیر ها معادل PN16 بوده که مقاومت بسیار بالایی محسوب میشود.
از دیگر ویژگی های شیر های توپی پیمتاش میتوان به مقاومت بالا در برابر عوامل فیزیکی و شیمیایی، آب بندی آسان و مطمئن، طول عمر بالا و شرایط نگهداری آسان را نام برد. این شیر ها با آب حاوی کلر و نمک سازگار بوده و میتوانند در PH اسیدی و بازی سبک سیال نیز بدون مشکل به کار خود ادامه دهند.
شیرهای پیمتاش Pimtas در لوله کشی تجهیزات استخر و جکوزی میتوانند بعنوان ورودی و خروجی تجهیزاتی مانند فیلتر شنی، پمپ استخری، مبدل حرارتی و کلر زن های مورد استفاده قرار گیرند. لوله و اتصالات UPVC قابلیت کارکرد تا دمای 60+ درجه سانتیگراد را دارند.
ویژگی های شیر توپی مهره دار چسبی UPVC پیمتاش Pimtas
- مناسب برای استخر، جکوزی و آب آشامیدنی
- قابلیت تحمل فشار تا 16 بار (PN16)
- قابلیت کارکرد تا دمای 60+ درجه سانتیگراد
- دارای اتصال دو سر چسبی
- مقاوم در برابر تنش های فیزیکی و شیمیایی
- قابل کارکرد با کلر، نمک و PH اسیدی و بازی سبک
- ساخت ترکیه
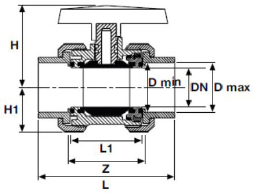
جدول مشخصات فنی شیر توپی مهره دار چسبی UPVC پیمتاش Pimtas

| مدل | D (mm) | RP (Inch) | DN | Z (mm) | L (mm) | L1 (mm) | H (mm) | H1 (mm) | وزن (Kg) | فشار کاری (PN) |
|---|---|---|---|---|---|---|---|---|---|---|
| SCBV20 | 20 | ½ | 15 | 60 | 85 | 45 | 47 | 27 | 0.142 | 16 |
| SCBV25 | 25 | ¾ | 20 | 58 | 95 | 49 | 51 | 31 | 0.198 | 16 |
| SCBV32 | 32 | 1 | 25 | 68 | 107 | 54 | 63 | 33 | 0.254 | 16 |
| SCBV40 | 40 | ¼ 1 | 32 | 82 | 128 | 65 | 67 | 41 | 0.412 | 16 |
| SCBV50 | 50 | ½ 1 | 40 | 94 | 154 | 74 | 86 | 46 | 0.672 | 16 |
| SCBV63 | 63 | 2 | 50 | 98 | 172 | 87 | 101 | 58 | 1.168 | 16 |
| SCBV75 | 75 | ½ 2 | 65 | 119 | 196 | 98 | 110 | 73 | 1.468 | 16 |
| SCBV90 | 90 | 3 | 80 | 156 | 241 | 126 | 137 | 89 | 3.544 | 16 |
| SCBV110 | 110 | 4 | 100 | 185 | 289 | 150 | 150 | 105 | 5.296 | 16 |

دیدگاهها
پاکسازی فیلترهیچ دیدگاهی برای این محصول نوشته نشده است.